- Get link
- X
- Other Apps

Electronics Projects Circuits For Engineering Students

5 Awesome Projects Using Transistor

Easy Led Circuit Project Science With Kids Com


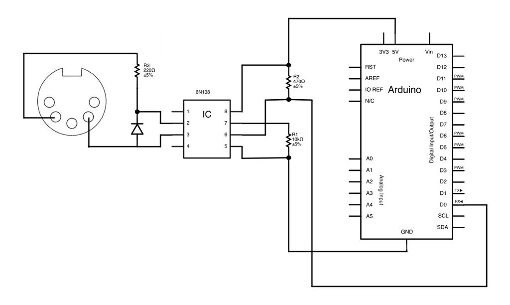
Voltage Building A Midi Project With Arduino Scrap

3 Easy Transistor Projects For Beginners 5 Steps

What Is Zener Diode Operation Principle Types Uses Of

Single Phase Bridge Rectifier Electronics Project

Introduction To Basic Electronics Electronic Components And

70 Led Projects And Circuits For Engineering Students

Easy Mades Transformer Less Power Supply 230v To 3v 5v 6v

Simple Projects A Zener Diode Tester Gregs Basic Electronics

Solved Assume All Diode Drops Are 0 7 V In This Project

What Is The Zener Diode The Engineering Projects

Electronics Projects How To Use A Diode To Block Reverse

What Is Diode Clipper The Engineering Projects
- Get link
- X
- Other Apps
Comments
Post a Comment